自習室/ マイクロコンピュータ総合/AVR

AVRマイコン(開設 2004.06、更新 2011.06)


AVRはPICと同様な、いわゆるワンチップマイコンです。 後発なせいか、個人的にはPICよりは洗練された内容と思います。 特にCで開発することを考えるとAVRの方が適当と思われます。
Cで書けてISPができるとなると、PICよりも開発のハードルや扱いやすさは上と思われます。 (2004.06)

2012.12 mega644pでLDCモジュール、MO28C9325TP、DST1007PH-24をドライブする(@FB)
2011.06 AVR Studio 5
2008.07 最近のWinAVRのコンパイルオプションについて
2008.04 入魂の一冊 試しながら学ぶAVR入門が出版されました
2008.03 mega168でLDCを使う
2008.02 mega128Lを使ったリモコンカメラカー
2007.12 I2C(TWI)を使う
2007.06 割り込みを使う
2007.04 mega48用サンプル集
2007.04 WinAVR(Cコンパイラ環境)を使う
○AVRライター
DSC093300001.jpg

○8515を使う


共立電子製AVRライタと8515評価ボード

サンプルプログラム
test.asm

ATtiny26Lを使った磁気センサ

AVRISPとtiny2313
 〜tiny2313の謎

AVRISPとATtiny2313(コンピュータ応用より)

Attint2313を使ったサイコロとオルゴール

Attint2313を使った切りタイマー

ATmega8ボードを作る(土井研的AVR実験より)

ATmega8ボード(2007年モデル,2007専攻科実験より)
mega8系いろいろ基板mk2(2008専攻科実験より)

ATmega8を使った1秒レコーダ(バイキングより)

ATmega48を使ったシリアルのテスト
ATmega48を使ったI2Cテスト(DTileより)

mega162
mega162を使ったシステムバスドライバ

8535系ボード
mega32にジャイロセンサをつなぐ

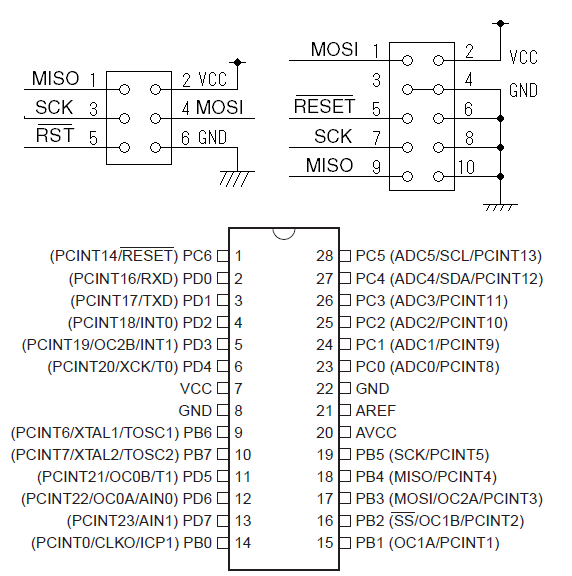
ISPのピン

まとめたもの
AVR+WiPort CAR
専攻科AVR実験2009年
AVR講座2007
AVRメモ(インデックス風に説明をまとめたもの)
リンク
・ATMEL
 アトメルの本社
・ELM氏のAVRのページ
 AVR総合
・AVRファンクラブ
 AVR総合
・ATMEL社の8ビットRISCマイコン
 東集のHPの一部?、AVR総合、電子工作等もあり。
・AVRに関するページ
 TAP?というページ、AVR総合
・AVRマイコン入門
 弘前大学、小山智史氏のページ、AVR総合。
・AVRプログラミング メモ
 タカイチ氏?のページ、ライタの製作、AT90S2313を使ったボード等。
・toko's Home Page
  toko氏?のページ、ラジコン(インドアプレーン)が専門、小型軽量化の技術がすばらしい。

通販・ボード
・コンパスラボ
 AVRISPや新しい型のチップがある。
・エグゼキュートシステム
 AVRとCPLDの混載ボードなどがある