自習室/ マイクロコンピュータ総合/AVR/8535系ボード

8535系ボードを作る

トレーニング用に28ピンのmega8系ボードを利用してきたが、mega8系の場合、シリアルやISPの共用ピンを使用するため、 7セグメントをドライブする場合、セグメント側を2つのポートから分担してドライブする回路構成にならざろうえなかった。 なれてしまえばさほど問題ないが、初心者にとっては本質でない「工夫」を理解する手間が無視できない。 そこで、もう1つ大型の8535系チップを使ったボードを試作することにした。ついでといってはなんだが、プログラム手段もIPSでなくJTAGICEを使った「大人」な方法に切り替えることにした。

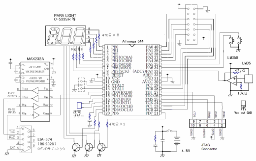
回路設計
8535系チップでも、JTAGピン、シリアルピン、アナログピンを利用すると、8ビットがまるまる残るポートはBポートのみとなる。

回路図

ボードの製作
ph0903/DSCN18420001.jpg

DSCN18390001.jpg

DSCN18400001.jpg

エッチングのあと穴あけ
DSCN18430001.jpg

ジャンパを配線

JTAG周りとLEDを配線
DSCN18450001.jpg

DSCN18480001.jpg

DSCN18490001.jpg

まずは、LEDぴかぴか
で動作チェック
m32_00.c

7セグ、温度センサを配線
DSCN18520001.jpg

DSCN18530001.jpg

カウントプログラム、温度計プログラム
で動作チェック
m32_402.c m32_502ad.c

シリアル周りを配線して完成
DSCN18560001.jpg

DSCN18570001.jpg

DSCN18580001.jpg

DSCN18590001.jpg

シリアルのチェックプロラム
シリアルで受けて7セグに出力とシリアルにエコーする
m32_601a.c